一、產品介紹
這款產品最大間歇測量功率可達100W,主要用于中低功率激光的測量。冷卻模式為自然冷卻,使用簡單,方便攜帶,可應用于不同類型的場景中。
二、產品特點
· 自然冷卻
· 30mm探測口徑
· 單發脈沖能量測試功能
· PC端USB接口輸出可選
· 1min最大間歇測量功率可達100W
三、產品參數
| 型號 | BND-Z60-30 |
| 光譜范圍(μm) | 0.19 - 25 |
| 功率范圍 | 50mW - 60W (100W) |
| 間歇測量功率 | 60W (Cont.),80W (8min),100W (3min) |
| 分辨率(mW) | 3.5 |
| 測量不確定度(±%) | < 1 |
| 非線性度(±%) | < 1 |
| 精度(±%) | < 3 |
| 響應時間(s) | < 2 |
| 吸收體類型 | CB |
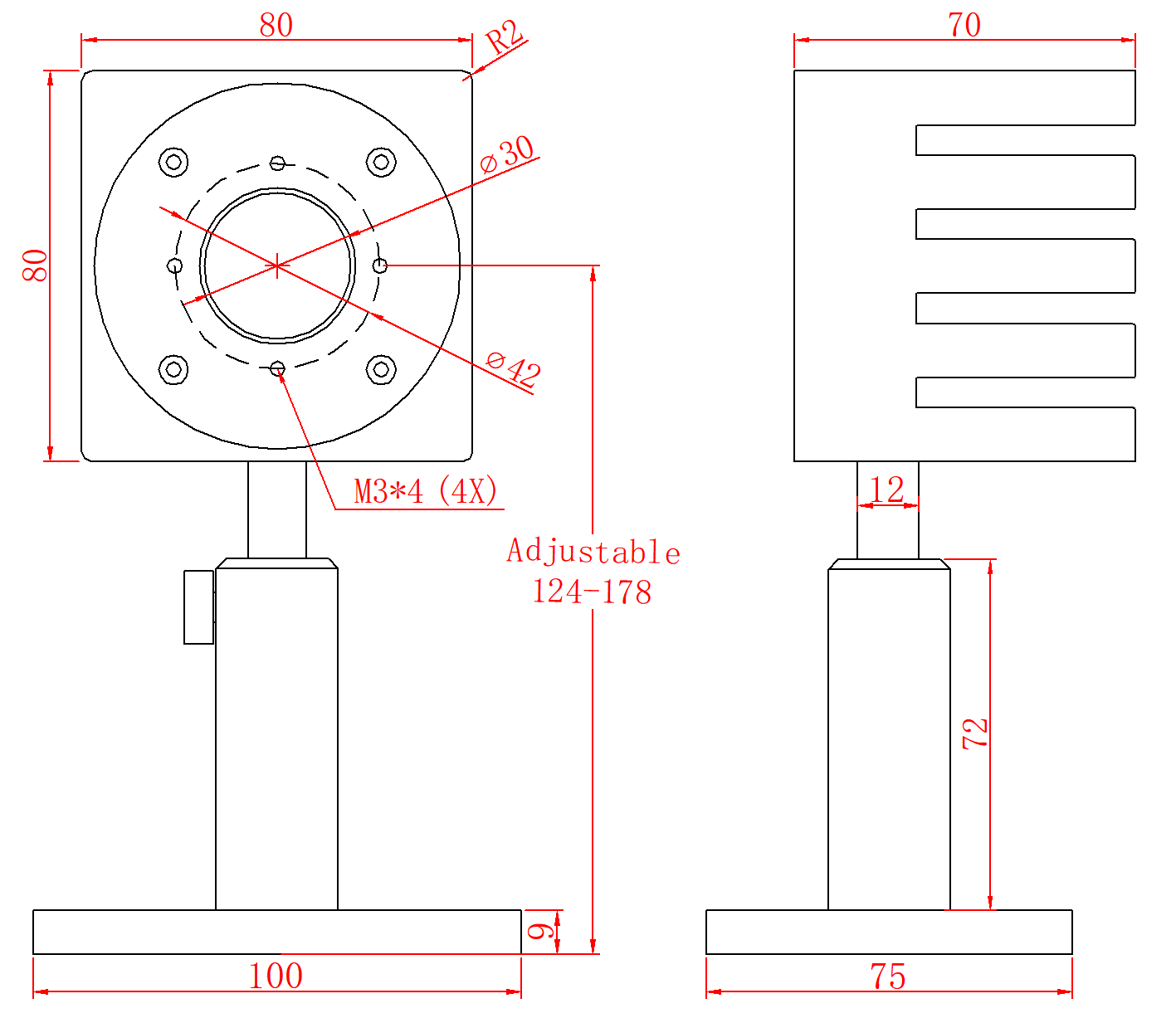
| 探測口徑(mm) | 30 |
| 最大平均功率密度 | 20kW/cm2, 10W, CW |
| 最大能量密度 | 0.3J/cm2, 1064nm, 1ns |
| 規格(mm) | 80 x 80 x 70 |
| 冷卻方式 | 自然冷卻 |
| 接口類型 | DB-9M |
| 電纜長度(m) | 1.5 |
四、尺寸

