一、產品介紹
BND-F150-30型激光功率計探頭,適用于測量中高功率密度的連續和脈沖激光,風扇冷卻模式下最大持續測量功率可達150W,最大間歇測量功率可達300W。
二、產品特點
· 風扇冷卻
· 30mm探測口徑
· 單發脈沖能量測試功能
· PC端USB接口輸出可選
· 1min最大間歇測量功率可達300W
三、產品參數
| 型號 | BND-F150-30 |
| 光譜范圍(μm) | 0.19 - 25 |
| 功率范圍 | 50mW - 150W (300W) |
| 間歇測量功率 | 150W (Cont.),200W (3min),300W (1min) |
| 分辨率 (mW) | 5 |
| 測量不確定度(±%) | < 1 |
| 非線性度(±%) | < 1 |
| 精度(±%) | < 3 |
| 響應時間(s) | < 2 |
| 吸收體類型 | CB |
| 探測口徑(mm) | 30 |
| 最大平均功率密度 | 20kW/cm2, 10W, CW |
| 最大能量密度 | 0.3J/cm2, 1064nm, 1ns |
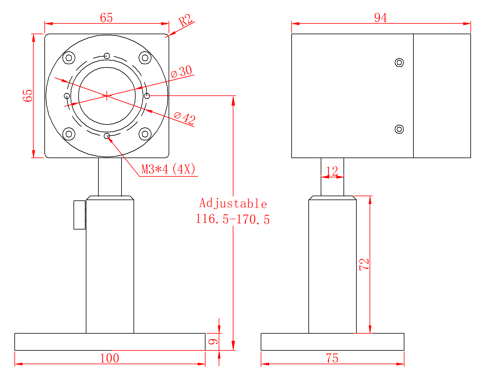
| 規格(mm) | 65 × 65 × 94 |
| 冷卻方式 | 風扇冷卻 |
| 接口類型 | DB-9M |
| 電纜長度(m) | 1.5 |
四、尺寸

